nachträglicher Einbau einer Funkfernbedienung Skoda Octavia
-
olli1986
- Frischling
- Beiträge: 32
- Registriert: 8. September 2009 01:34
- Modell: 1U
- Bauart: Combi
- Baujahr: 2000
- Motor: 1,6 liter 104ps
- Kilometerstand: 98263
nachträglicher Einbau einer Funkfernbedienung Skoda Octavia
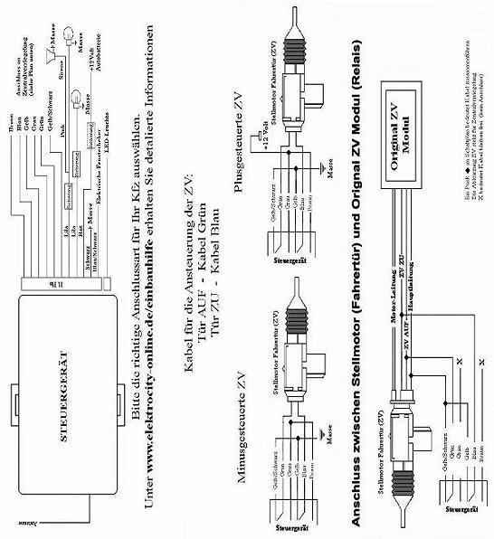
hi habe einen skoda octavia Combi bj 1999 und hab mir nun ein set bestehend aus 2 fernbedienungen kabelbaum und steuergerät bestellt bei ebay aber weis nicht wo ich es anschließen muss ich hab die haupt box der zv gefunden die sitzt bei mir links unterm lenkrad hab auch nen schaltplan dabei auf deutsch von der fernbedienung aber weis nicht an welche kabel im auto bitte dringend um hilfe so schnell es geht anbei stelle ich noch den schaltplan online den ich dabei bekommen habe schon mal vielen dank im vorraus olli
Bedienungsanleitung
Kfz Funkfernbedienung 0045-0046-0047
Einführung:
Wir möchten Ihnen zum Erwerb von Kfz Funkfernbedienung gratulieren.
Mit diesem Artikel haben Sie eine erstklassige Wahl getroffen.
Bitte lesen Sie sich diese Anleitung vor dem Gebrauch gut durch und verwahren Sie diese für späteres Nachschlagen auf.
Einbauhinweis:
- Funkfernbedienung ist von einer Fachwerkstatt einzubauen. Elektrische Spannungen sind mit einem Vollmeter vor dem Anschluss zu prüfen.
- Lesen Sie bitte vor der Montage die gesamte Einbauanleitung durch.
- Beachten Sie die vom Fahrzeughersteller und vom Kfz-Händler vorgeschriebenen Sicherheitshinweise und Auflagen.
- Klemmen Sie unbedingt vor dem Montagebeginn an der Fahrzeugelektrik den Minuspol der Batterie ab, da sonst Kurzschlussgefahr besteht.
Achtung: Beim Abklemmen des Minuspols der Batterie verlieren alle flüchtigen elektronischen Speicher wie z.B. Bordcomputer, Schaltuhren und Radios (Radio Code) ihre gespeicherten Werte.
- Zum Prüfen der Spannung an elektrischen Leitungen darf nur ein geeignetes Voltmeter verwendet werden. Halten Sie auch hierbei die Sicherheitsregeln beim Arbeiten an elektrischen Strömen ein.
- Alle Bauteile müssen entsprechend abgesichert und fest montiert werden. Alle Verbindungen sind zu isolieren und gegen mechanische Beanspruchung zu sichern. Achten Sie bei der Verlegung der Leitungen darauf, dass diese nicht gequetscht oder
aufgescheuert werden.
- Die Betriebsspannung beträgt 12 Volt Gleichstrom (V.DC)
Kfz Funkfernbedienung
……..ermöglicht das Ansteuern der Zentralverriegelung über Funk, in bis zu 100 Meter Reichweite.
Des weiterem besitzt das Gerät Funktionen wie z.B.
- Blinkeransteuerung
- Ansteuerung der Sirene
- Ansteuerung der EFH
- Anlernen der Sender usw…..
Kfz Funkfernbedienung eignet sich für alle Fahrzeuge mit 12 V DC.
Einbau:
1.Einbauort:
Funkfernbedienung wird mittels Klebeband oder Kabelbinder (n. i. Lieferumfang enthalten) an einem trockenen Ort in der Nähe von dem Sicherungskasten befestigt. (Standart Einbauort: in der Regel sind dort alle notwendigen Leitungen vorhanden)
Weitere Einbauorte: Fahrerfußraum A-Säule, Fahrertür, Kofferraum, ZV-Pumpe je nach Spannung.
Bei der Montage ist zu beachten, dass alle Leitungen vor dem Anschluss mit einem Multimeter.
2. Anschluss an die ZV:
Der Anschluss erfolgt mit zwei Kabel von dem Steuergerät der Funkfernbedienung an die Leitungen für AUF und ZU der Zentralverriegelung.
Tür AUF (Steuergerät) – Kabel Grün an das Kabel für Tür AUF im Kfz
Tür ZU (Steuergerät) – Kabel Blau an das Kabel für Tür ZU im KFz
Die Kfz Kabelfarben können unter: http://www.elektrocity-online.de/einbauhilfe gedownloadet werden.
Die Schaltpläne entbinden Sie nicht vor der Überprüfung der Leitungen im Kfz mit einem Multimeter. ( nähere Infos über die Messungen finden Sie unter dem Punkt Hilfestellung auf http://www.elektrocity-online.de/einbauhilfe )
Beachten Sie bitte die ZV-Arten (Minus und Plusgesteuert)
3. Anschluss an die EFH:
Die Ansteuerung der EFH ist fast bei jedem Fahrzeug möglich. Der Anschluss erfolgt an die EFH- Schließleitung über EFH Relais oder Modul. In seltenen Fällen ist auch der Anschluss an die Schließleitung der EFH Motor möglich.
4. Anschluss an die ZV:
Ansteuerung der Sirene und Blinker erfolgt mit der direkten Kabelverbindung von dem Steuergerät an die jeweiligen Leitungen im Kfz.
5. Anlernen der Handsender:
Drücken Sie den Programmierungsschalter am Steuergerät. Die Blinker blinken 3-mal und bleiben an. Drücken Sie eine beliebige taste 3 Sekunden lang am Handsender. Die Blinker blinken 3-mal. Programmierung ist abgeschlossen. Es
können bis zu 4 Handsender verwendet werden. (eine Nachbestellung der Handsender ist grundsätzlich möglich)
Bedienungsanleitung
Kfz Funkfernbedienung 0045-0046-0047
Einführung:
Wir möchten Ihnen zum Erwerb von Kfz Funkfernbedienung gratulieren.
Mit diesem Artikel haben Sie eine erstklassige Wahl getroffen.
Bitte lesen Sie sich diese Anleitung vor dem Gebrauch gut durch und verwahren Sie diese für späteres Nachschlagen auf.
Einbauhinweis:
- Funkfernbedienung ist von einer Fachwerkstatt einzubauen. Elektrische Spannungen sind mit einem Vollmeter vor dem Anschluss zu prüfen.
- Lesen Sie bitte vor der Montage die gesamte Einbauanleitung durch.
- Beachten Sie die vom Fahrzeughersteller und vom Kfz-Händler vorgeschriebenen Sicherheitshinweise und Auflagen.
- Klemmen Sie unbedingt vor dem Montagebeginn an der Fahrzeugelektrik den Minuspol der Batterie ab, da sonst Kurzschlussgefahr besteht.
Achtung: Beim Abklemmen des Minuspols der Batterie verlieren alle flüchtigen elektronischen Speicher wie z.B. Bordcomputer, Schaltuhren und Radios (Radio Code) ihre gespeicherten Werte.
- Zum Prüfen der Spannung an elektrischen Leitungen darf nur ein geeignetes Voltmeter verwendet werden. Halten Sie auch hierbei die Sicherheitsregeln beim Arbeiten an elektrischen Strömen ein.
- Alle Bauteile müssen entsprechend abgesichert und fest montiert werden. Alle Verbindungen sind zu isolieren und gegen mechanische Beanspruchung zu sichern. Achten Sie bei der Verlegung der Leitungen darauf, dass diese nicht gequetscht oder
aufgescheuert werden.
- Die Betriebsspannung beträgt 12 Volt Gleichstrom (V.DC)
Kfz Funkfernbedienung
……..ermöglicht das Ansteuern der Zentralverriegelung über Funk, in bis zu 100 Meter Reichweite.
Des weiterem besitzt das Gerät Funktionen wie z.B.
- Blinkeransteuerung
- Ansteuerung der Sirene
- Ansteuerung der EFH
- Anlernen der Sender usw…..
Kfz Funkfernbedienung eignet sich für alle Fahrzeuge mit 12 V DC.
Einbau:
1.Einbauort:
Funkfernbedienung wird mittels Klebeband oder Kabelbinder (n. i. Lieferumfang enthalten) an einem trockenen Ort in der Nähe von dem Sicherungskasten befestigt. (Standart Einbauort: in der Regel sind dort alle notwendigen Leitungen vorhanden)
Weitere Einbauorte: Fahrerfußraum A-Säule, Fahrertür, Kofferraum, ZV-Pumpe je nach Spannung.
Bei der Montage ist zu beachten, dass alle Leitungen vor dem Anschluss mit einem Multimeter.
2. Anschluss an die ZV:
Der Anschluss erfolgt mit zwei Kabel von dem Steuergerät der Funkfernbedienung an die Leitungen für AUF und ZU der Zentralverriegelung.
Tür AUF (Steuergerät) – Kabel Grün an das Kabel für Tür AUF im Kfz
Tür ZU (Steuergerät) – Kabel Blau an das Kabel für Tür ZU im KFz
Die Kfz Kabelfarben können unter: http://www.elektrocity-online.de/einbauhilfe gedownloadet werden.
Die Schaltpläne entbinden Sie nicht vor der Überprüfung der Leitungen im Kfz mit einem Multimeter. ( nähere Infos über die Messungen finden Sie unter dem Punkt Hilfestellung auf http://www.elektrocity-online.de/einbauhilfe )
Beachten Sie bitte die ZV-Arten (Minus und Plusgesteuert)
3. Anschluss an die EFH:
Die Ansteuerung der EFH ist fast bei jedem Fahrzeug möglich. Der Anschluss erfolgt an die EFH- Schließleitung über EFH Relais oder Modul. In seltenen Fällen ist auch der Anschluss an die Schließleitung der EFH Motor möglich.
4. Anschluss an die ZV:
Ansteuerung der Sirene und Blinker erfolgt mit der direkten Kabelverbindung von dem Steuergerät an die jeweiligen Leitungen im Kfz.
5. Anlernen der Handsender:
Drücken Sie den Programmierungsschalter am Steuergerät. Die Blinker blinken 3-mal und bleiben an. Drücken Sie eine beliebige taste 3 Sekunden lang am Handsender. Die Blinker blinken 3-mal. Programmierung ist abgeschlossen. Es
können bis zu 4 Handsender verwendet werden. (eine Nachbestellung der Handsender ist grundsätzlich möglich)
- Dateianhänge
-
- 2.jpg (34.08 KiB) 7507 mal betrachtet
-
- 1.jpg (56.36 KiB) 7515 mal betrachtet
Zuletzt geändert von olli1986 am 10. September 2009 16:59, insgesamt 1-mal geändert.
- Oberberger
- Alteingesessener
- Beiträge: 4280
- Registriert: 21. Juni 2009 16:16
- Modell: 1Z
- Bauart: Combi
- Baujahr: 2007
- Motor: 1,9 TDI DPF
- Kilometerstand: 176000
- Spritmonitor-ID: 0
Re: nachträglicher einbau einer funkfernbedienung im skodaoctava
Hat der O1 nicht auch so einen Schalter, mit dem man den Wagen innen zumachen kann? Ich würde an den rangehen und das Steuergerät in Ruhe lassen. Weiss nur nicht, ob Du dann eine Blinkeransteuerung hast....
Ich hätte den Ebay-Kram gelassen und mir das hier geholt:

Hab ich im O2 auch, das ist alles genau erklärt und quasi Plug and Play....und funzt super incl. Blinkeransteuerung. Den Link dazu findest Du auf Skoda.at, aber unter den Bestellnummern wie angegeben kann der
sie auch bestellen. Und bei dem Preis ist meiner Meinung nach Ebay aus dem Rennen....was hat Deine denn gekostet?
Ich hätte den Ebay-Kram gelassen und mir das hier geholt:

Hab ich im O2 auch, das ist alles genau erklärt und quasi Plug and Play....und funzt super incl. Blinkeransteuerung. Den Link dazu findest Du auf Skoda.at, aber unter den Bestellnummern wie angegeben kann der
- darkking
- Ex-Aufsicht
- Beiträge: 6122
- Registriert: 9. September 2007 16:30
- Modell: 1Z
- Bauart: Limo
- Modelljahr: 2012
- Motor: 1.8TSI
- Kilometerstand: 0
- Spritmonitor-ID: 0
Re: nachträglicher einbau einer funkfernbedienung im skodaoctava
Dann lass doch die O1 Fraktion antwortenOberberger hat geschrieben:Hat der O1 nicht auch so einen Schalter, mit dem man den Wagen innen zumachen kann? Ich würde an den rangehen und das Steuergerät in Ruhe lassen. Weiss nur nicht, ob Du dann eine Blinkeransteuerung hast.
- Oberberger
- Alteingesessener
- Beiträge: 4280
- Registriert: 21. Juni 2009 16:16
- Modell: 1Z
- Bauart: Combi
- Baujahr: 2007
- Motor: 1,9 TDI DPF
- Kilometerstand: 176000
- Spritmonitor-ID: 0
Re: nachträglicher einbau einer funkfernbedienung im skodaoctava
Genau so ist es....mir selber war bspw. auch wichtig, dass die Blinkeransteuerung funktioniert. Damit war die WAECO aus dem Rennen, denn die kann das (beim O2) nicht....
Der einzige Wermutstropfen ist die Reichweite. Von 10 m wie auf der Packung beschrieben kann keine Rede sein, ich muss immer bis auf ca. 5 m ans Auto ran. Das stört aber nicht weiter..... will mir das irgendwann mal anschauen, eingebaut hat das ja der
wegen der Garantie auf die ZV - vielleicht kann man da mit der Antenne noch was verbessern.
Der einzige Wermutstropfen ist die Reichweite. Von 10 m wie auf der Packung beschrieben kann keine Rede sein, ich muss immer bis auf ca. 5 m ans Auto ran. Das stört aber nicht weiter..... will mir das irgendwann mal anschauen, eingebaut hat das ja der
-
der Meidericher
- Regelmäßiger
- Beiträge: 108
- Registriert: 26. Januar 2004 21:02
- Modell: 1U
- Bauart: Combi
- Baujahr: 2003
- Motor: 1,6 Benziner 75 KW
- Kilometerstand: 0
- Spritmonitor-ID: 0
Re: nachträglicher einbau einer funkfernbedienung im skodaoctava
Die originale Fernbedienung von Skoda hatte ich auch einmal verbaut. War aber Müll, hat nur selten funktioniert. Jetzt habe ich die hier: klick - und bin eigentlich sehr zufrieden. Einziges Problem: wie bei jeder nachgerüsteten Fernbedienung mit Klappschlüssel wird dieser früher oder später zum Klapperschlüssel.
mfg
der Meidericher
_____________________________________
- Skoda Octavia Family Edition, BJ2003, 1,6l
der Meidericher
_____________________________________
- Skoda Octavia Family Edition, BJ2003, 1,6l
- Oberberger
- Alteingesessener
- Beiträge: 4280
- Registriert: 21. Juni 2009 16:16
- Modell: 1Z
- Bauart: Combi
- Baujahr: 2007
- Motor: 1,9 TDI DPF
- Kilometerstand: 176000
- Spritmonitor-ID: 0
Re: nachträglicher einbau einer funkfernbedienung im skodaoctava
Was hat denn bei Dir nicht funktioniert? Ich bin super zufrieden damit....den Klappschlüssel hab ich nicht, aber das ist mir wurscht. Gibt wichtigere Dinge im Leben als das Aussehen eines Autoschlüssels 
-
olli1986
- Frischling
- Beiträge: 32
- Registriert: 8. September 2009 01:34
- Modell: 1U
- Bauart: Combi
- Baujahr: 2000
- Motor: 1,6 liter 104ps
- Kilometerstand: 98263
Re: nachträglicher einbau einer funkfernbedienung im skodaoctava
hmm so viele schreiben hier doch ich bin mit meinem problem noch nicht weiter weis denn keiner wie schaltpläne hab ich ja rein gestellt bitte dringend um hilfe da ich sie gerne verbaut haben möchte lg olli
- Oberberger
- Alteingesessener
- Beiträge: 4280
- Registriert: 21. Juni 2009 16:16
- Modell: 1Z
- Bauart: Combi
- Baujahr: 2007
- Motor: 1,9 TDI DPF
- Kilometerstand: 176000
- Spritmonitor-ID: 0
Re: nachträglicher einbau einer funkfernbedienung im skodaoctava
Sorry, würde Dir gerne helfen, aber mir hat das auch der
gemacht....was ich Dir anbieten könnte, wäre eventuell die Einbauanleitung für meine FZV, die ist mit den richtigen Skoda-Farben beschriftet.
Kann Dir aber nicht versprechen, dass ich die noch finde. Wenn ja, scanne ich sie gerne ab.
Kann Dir aber nicht versprechen, dass ich die noch finde. Wenn ja, scanne ich sie gerne ab.
-
olli1986
- Frischling
- Beiträge: 32
- Registriert: 8. September 2009 01:34
- Modell: 1U
- Bauart: Combi
- Baujahr: 2000
- Motor: 1,6 liter 104ps
- Kilometerstand: 98263
Re: nachträglicher einbau einer funkfernbedienung im skodaoctava
ja mach mal bitte
was ich nur will ist das die türen schließen und sich öffnen das mit den blinkern etc muss nicht unbedingt also wenn jemand genau weis wie dann bitte her dammit lg olli
was ich nur will ist das die türen schließen und sich öffnen das mit den blinkern etc muss nicht unbedingt also wenn jemand genau weis wie dann bitte her dammit lg olli
- Oberberger
- Alteingesessener
- Beiträge: 4280
- Registriert: 21. Juni 2009 16:16
- Modell: 1Z
- Bauart: Combi
- Baujahr: 2007
- Motor: 1,9 TDI DPF
- Kilometerstand: 176000
- Spritmonitor-ID: 0
Re: nachträglicher einbau einer funkfernbedienung im skodaoctava
Falls Du englisch kannst, könnte das hier was für Dich sein.